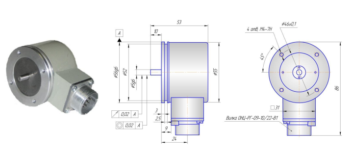
Преобразователи угловых перемещений фотоэлектрические инкрементальные моделей ВЕ178АБ.5В-TTL, ВЕ178АБ.15В-TTL предназначены для использования в системах автоматического регулирования станков.
- Главная
- Блог
- Справочник
- ПРЕОБРАЗОВАТЕЛИ УГЛОВЫХ ПЕРЕМЕЩЕНИЙ
ПРЕОБРАЗОВАТЕЛИ УГЛОВЫХ ПЕРЕМЕЩЕНИЙ
ТУ РБ 300207906.075-2003
Преобразователи угловых перемещений фотоэлектрические инкрементальные моделей ВЕ178АБ.5В-TTL, ВЕ178АБ.15В-TTL предназначены для использования в системах автоматического регулирования станков и для информационной связи по положению между исполнительными механизмами станка, промышленного робота и устройством числового программного управления (УЧПУ), а также в системах автоматического и автоматизированного контроля, регулирования и управления в других областях техники.
ВЕ178АБ.5В-TTL, ВЕ178АБ.15В-TTL

Техническая характеристика

По отдельному заказу возможно изготовление преобразователей с другим количеством выходных сигналов
Центроискатели индикаторные
Инструмент для координатно-расточных станков.
ТУ BY300207906.094-2007
Центроискатель индикаторный предназначен для предварительной наладки станков: центровки оси шпинделя станка с осью отверстия по внутренней поверхности или поверхностью по внешней окружности в диапазоне от 8 мм до 250 мм.
Центроискатели 6201-4002 (рисунок 1) и 6201-4003 (рисунок 2) выпускаются с различными типами хвостовиков, что дает возможность использовать их на станках с различными типами конуса шпинделя.
Возможные варианты исполнений приведены в таблице 1.
Центроискатели применяются комплектно с индикаторами, указанными в таблице 2.
Индикатор в комплекте с центроискателем не поставляется.

Таблица 1

Схема настройки инструмента для контроля
При центровке внутреннего отверстия винт поз.1 устанавливается по рис. 3.
При центровке внешней поверхности винт поз.1 устанавливается по рис.4.

Основное отличие конструкции центроискателя 6201 – 4003 в том, что при наличии у заказчика модульных систем 6300 – 4021 … - 4025 (смотри стр. 30), можно заказывать центроискатели без хвостовиков.
Таблица 2

Калибр-пробки гладкие двухсторонние и односторонние со вставками диаметром от 3 до 100 мм
Калибры-пробки предназначены для контроля отверстий с допусками от 6 до 17 квалитета.


Пробки резьбовые со вставками двухсторонние и односторонние
Пробки резьбовые предназначены для контроля метрической резьбы по ГОСТ 9150-2002 с полями допусков по ГОСТ 16093-81.


Угольник поверочный лекальный цилиндрический 90º типа УЛЦ по ГОСТ 3749-77


Калибр для проверки внутренних конусов Морзе без лапки, тип 1
Калибры предназначены для комплексного контроля Конусов инструментов 4, 5, 6, 7, 8 степеней точности с допусками по ГОСТ 2848-75 и размерами по ГОСТ 25557-2006 и ГОСТ 9953-82.


Калибр-втулка для проверки наружных конусов Морзе без лапки, тип 1
Калибры предназначены для комплексного контроля Конусов инструментов 6, 7, 8 степеней точности с допусками по ГОСТ 2848-75 и размерами по ГОСТ 25557-2006 и ГОСТ 9953-82.


Калибр для проверки внутренних конусов Морзе с лапкой, тип 2
Калибры предназначены для комплексного контроля конусов инструментов 4, 5, 6, 7, 8 степеней точности с допусками по ГОСТ 2848-75 и размерами по ГОСТ 25557-2006 и ГОСТ 9953-82.


Калибр-втулка для проверки наружных конусов Морзе с лапкой, тип 2
Калибры предназначены для комплексного контроля конусов инструментов 6, 7, 8 степеней точности с допусками по ГОСТ 2848-75 и размерами по ГОСТ 25557-2006 и ГОСТ 9953-82.




































